我们提供的激光功率计系列产品具有国际领先的抗激光破坏水平,可以记录激光脉冲序列串的各脉冲能量,可对光纤输出和管芯直接输出的半导体激光器进行全参数测试,可广泛应用于工业加工、国防科研、医疗和教学等领域的激光功率测试。
我们一站式供应各种类型的激光功率计,激光能量计,激光功率能量计,光电式激光功率计,便携式激光功率计,可提供选型、技术指导、安装培训、个性定制等全生命周期、全流程服务,欢迎联系我们的产品经理!

产品特点
彩色液晶显示屏 ,方便查看中英文菜单( V2 版本)
实时波形图显示
不需校零, 自稳零电路大容量锂电池
烤机保护功能
金属机身,抗干扰好
方便用户自校准机制
适合应用
手持激光功率测量
手持激光单脉冲能量测量工业 、科研领域适用
产品名称:激光功率计
命名规则:Stellar-XY--Za-b(c)
产品名称:激光功率计
命名规则
Stellar-XY--Za-b(c)
X:
TP:激光功率计,测激光功率PE:功率能量计,既可以测激光功率,也可以测能量(单脉冲)
Y:探测器规格(额定测量功率及探测器类型)
Z:为入光孔径,19,25,50等,单位mm
a:探头特征。
留空表示标准探头,其他非标项由相应字母表示,如:
J:均光;S:超薄
b:其他定制项,如果非标线长,留空表示标准
c:表头版本
省略:V1版本表头
V2:V2版本表头
型号举例:
以配50W 标准探头的Stellar V2功率计为例,其具体型号为:Stellar-TP50-HP-19(V2)。
以配50W 均光探头的Stellar V2功率计为例,其具体型号为:Stellar-TP50-HP-19J(V2)。
以配200W 探头的Stellar V2功率计为例,其具体型号为:Stellar-TP200-HP-25(V2)。
以配10W 探头,可以测量能量的功率计为例,其型号为:Stellar-PE10-HP-25(V2)。
主要型号列表(V2):
| 产品名称 | 规格型号 | 单位 | 探头尺寸(mm) | 备注 |
| 激光功率计 | Stellar-TP10-HP-25(V2) | 台 | 60*60*20 | |
| 激光功率计 | Stellar-PE10-HP-25(V2) | 台 | 60*60*20 | 功率能量计 |
| 激光功率计 | Stellar-TP50-HP-19(V2) | 台 | 65*65*65 | |
| 激光功率计 | Stellar-TP50-HP-19J(V2) | 台 | 65*65*65 | 高损均光 |
| 激光功率计 | Stellar-PE50-HP-19(V2) | 台 | 65*65*65 | 功率能量计 |
| 激光功率计 | Stellar-TP200-HP-25(V2) | 台 | 90*90* 100 | |
| 激光功率计 | Stellar-PE200-HP-25(V2) | 台 | 90*90* 100 | 功率能量计 |
| 激光功率计 | Stellar-TP500-HP-25(V2) | 台 | 122* 122*70 | |
| 激光功率计 | Stellar-TP1000-HP-25(V2) | 台 | 122* 122*70 | |
| 激光功率计 | Stellar-TP1000-HP-25-W(V2) | 台 | 90*90*44 | 水冷 |
| 激光功率计 | Stellar-TP2000-HP-50-W(V2) | 台 | 120* 120*40 | 水冷 |

产品特点
彩色液晶显示屏
实时波形图显示
不需校零, 自稳零电路
可调一阶加速算法
可选测单脉冲激光能量
锂电池供电
烤机保护功能
金属机身,抗干扰,屏蔽性好方便用户自校准
USB-B 接口,PC 监测软件
产品参数
| 型号 | STELLAR |
| 供电方式 | USB-B 接口,5V1A 手机充电器 |
| 电池特性 | 2000mAH,充电时间 9 小时,放电时间 12 小时 |
| 显示屏 | 2.8 寸真彩色液晶,400*240,两级背光 |
| 通信接口 | USB 通信( USB 转串口) |
| 电气测量准确度 | ±0.25% |
| 报警信号输出 | OC 门,带载能力最大 0.35A,极性可配置 |
| 模拟信号输出 | 0-1V( 10BIT) |
| 存储能力 | 最多 1667 小时 ,最多 10000 个数据 |
| 显示模式 | 数字、条图、 曲线 |
| 尺寸 | 长 x 宽 x 深 : 170*96*28 ( mm) |
| 重量 | 约 0.5kg |
外观尺寸


产品特点
大尺寸彩色液晶显示屏中英文菜单
实时波形图显示
不需校零, 自稳零电路可调二阶加速算法
可选测单脉冲激光能量大容量锂电池
升级烤机保护功能
金属机身,抗干扰,屏蔽性好更方便的用户自校准机制
USB-B 接口,PC 监测软件
产品参数:
| 型号 | STELLAR V2 |
| 供电方式 | USB-B 接口,5V1A 手机充电器 |
| 电池特性 | 3800mAH,充电时间 10 小时,放电时间24 小时 |
| 显示屏 | 3.5 寸真彩色液晶,480*320,多级背光 |
| 通信接口 | USB 通信( USB 转串口) |
| 电气测量准确度 | ±0.25% |
| 报警信号输出 | OC 门,带载能力最大 0.35A,极性可配置 |
| 模拟信号输出 | 0-1V( 10BIT) |
| 存储能力 | 最多 1667 小时 ,最多 10000 个数据 |
| 显示模式 | 数字、条图、 曲线 |
| 尺寸 | 长 x 宽 x 深 : 175* 106*27 ( mm) |
| 重量 | 约 0.5kg |
外观尺寸


产品特点
快速响应
宽光谱范围外形小巧
优化热沉设计,短期高承载功率
产品参数
| 型号 | TP10-HP-25 | TP50-HP-25S |
| 光谱范围 (μm) | 0.19~11 | 0.19~11 |
| 入光孔径 (mm) | 25 | 25 |
| 功率测量范围 | 2mW - 10W | 10mW - 50W |
| 间歇测量 | 10W continuous, 50W for 3min | 10W continuous, 50W for 3min |
| 功率量程 | 10W | 50W |
| 最大 CW 功率密度 (kW/cm²) | 15 | 15 |
| 响应时间 (s) | < 1.5 | < 1.5 |
| 测量不准确度 (±%) | < 2 | < 2 |
| 线性度 (±%) | < 1 | < 1 |
| 测量精度 (±%) | < 3 | < 3 |
| 能量测量范围 | 20mJ-200J | 20mJ-200J |
| 能量量程 | 0.6J/3J/30J/200J | 0.6J/3J/30J/200J |
| 最大能量密度 (J/cm²) | 30@10ms | 30@10ms |
| 散热方式 | 自然冷却 | 自然冷却 |
| 接口类型 | DB9 | DB9 |
| 重量 (kg) | 0.16 (不含支架), 0.43 (含支架) | 0.16 (不含支架), 0.43 (含支架) |
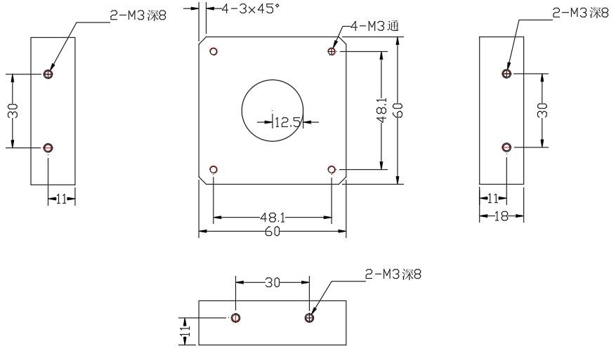
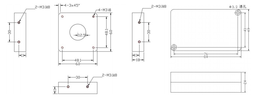
| 探头尺寸 (mm) | 60*60*20 | 60*60*20 |
| 线缆长度 (m) | 2 | 2 |
外观尺寸


产品特点
快速响应
宽光谱范围
外形小巧,集成风扇
优化热沉设计,短期高承载功率光学配件安装螺纹
产品参数
| 型号 | TP50-HP-19 | TP50-HP-19J (高损均光版) |
| 光谱范围 (μm) | 0.19~11 | 0.28~1.1 |
| 入光孔径 | 19mm | 19mm |
| 功率测量范围 | 10mW~50W | 10mW~50W |
| 间歇测量 | 50W continuous, 100W for 3min, 150W for 2min | |
| 功率量程 | 10W/50W/150W | 10W/50W/150W |
| 最大 CW 功率密度 | 15kW/cm² | 150kW/cm² |
| 响应时间 | < 1.5S | < 1.5S |
| 测量不准确度 ±% | < 2 | < 4 |
| 线性度 ±% | < 1 | < 1 |
| 测量精度 ±% | < 3 | < 5 |
| 能量测量范围 | 20mJ-200J | 25mJ-200J |
| 能量量程 | 0.6J/3J/30J/200J | 0.6J/3J/30J/200J |
| 最大能量密度 J/cm² | 30@10ms | 40@10ms |
| 散热方式 | 自然冷却、强制风冷 | 自然冷却、强制风冷 |
| 接口类型 | DB9 | DB9 |
| 重量(含支架) | 0.68kg | 0.7kg |
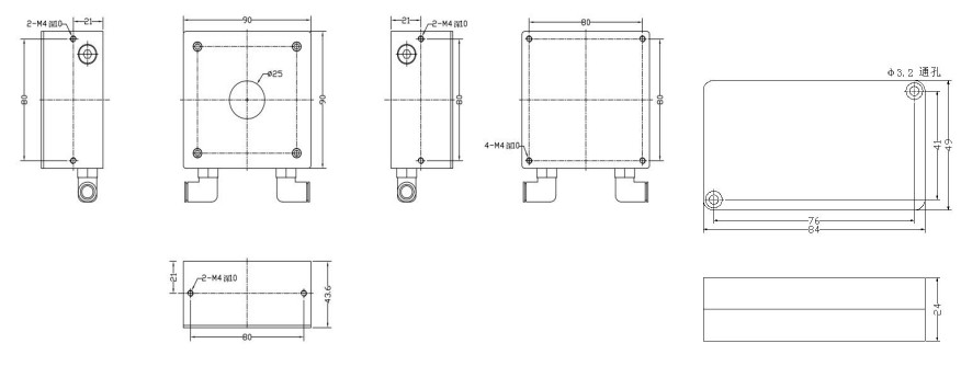
| 探头尺寸(不含支架) mm | 65*65*65 | 65*65*95 |
| 线缆长度 | 2M | 2M |
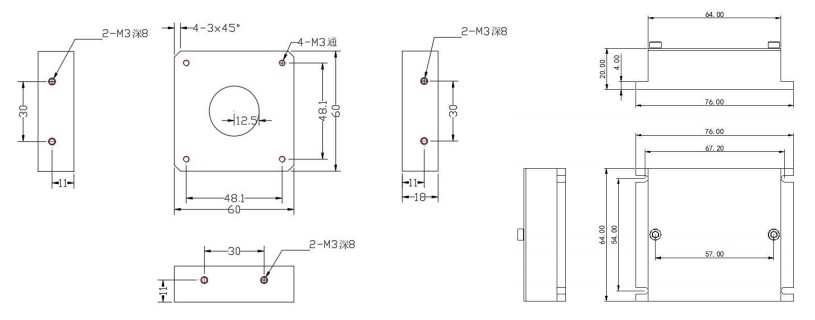
探头尺寸


产品特点
快速响应
宽光谱范围
外形小巧,集成风扇
优化热沉设计,短期高承载功率
光学配件安装螺纹
产品参数
| 型号 | TP200-HP-25 | TP300-HP-25 |
| 光谱范围 (μm) | 0.19 ~ 11 | 0.19 ~ 11 |
| 入光孔径 | 25 mm | 25 mm |
| 功率测量范围 | 20 mW ~ 250 W | 50 mW ~ 350 W |
| 功率量程 | 50W / 200W / 500W | 50W / 200W / 500W |
| 最大 CW 功率密度 | 7 kW/cm² | 7 kW/cm² |
| 响应时间 | < 2.5 S | < 2.5 S |
| 测量不准确度 ±% | < 1 | < 1 |
| 线性度 ±% | < 1 | < 1 |
| 测量精度 ±% | < 3 | < 3 |
| 能量测量范围 | 35 mJ ~ 300 J | 35 mJ ~ 300 J |
| 能量量程 | 3 J / 30 J / 300 J | 3 J / 30 J / 300 J |
| 最大能量密度 (J/cm²) | 30 @10ms | 30 @10ms |
| 散热方式 | 自然冷却、强制风冷 | 自然冷却、强制风冷 |
| 接口类型 | DB9 | DB9 |
| 重量(不含支架) | 1.15 kg | 1.15 kg |
| 探头尺寸(不含支架)mm | 90 * 90 * 70 (含风扇:90 * 90 * 100) | 90 * 90 * 70 (含风扇:90 * 90 * 100) |
| 线缆长度 | 2 M | 2 M |
外观尺寸


产品特点
快速响应
宽光谱范围
外形小巧,集成风扇
优化热沉设计,短期高承载功率
光学配件安装螺纹
产品参数
| 型号 | TP500-HP-25 | TP1000-HP-25 |
| 光谱范围 (μm) | 0.19 ~ 11 | |
| 入光孔径 | 25 mm | 25 mm |
| 功率测量范围 | 0.5W ~ 500W | 1W ~ 1000W |
| 功率量程 | 3J / 30J / 300J | |
| 最大 CW 功率密度 | 7 kW/cm² | |
| 响应时间 | < 3.5S | |
| 测量不准确度 ±% | < 2 | < 2 |
| 线性度 ±% | < 1 | < 2 |
| 测量精度 ±% | < 3 | < 4 |
| 能量测量范围 | 0.2J ~ 300J | 0.3J ~ 300J |
| 能量量程 | 3J / 30J / 300J | |
| 最大能量密度 (J/cm²) | 100 @10ms | 200 @10ms |
| 散热方式 | 自然冷却、强制风冷 | |
| 接口类型 | DB9 | |
| 重量(不含支架) | 2.35 kg | 2.5 kg |
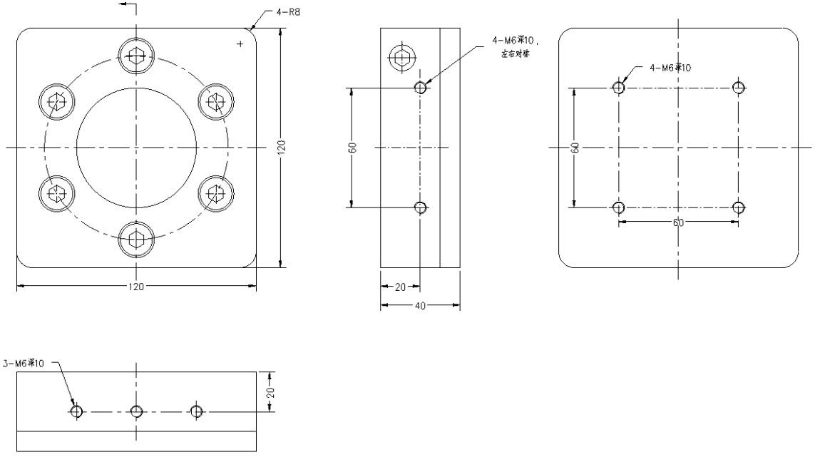
| 探头尺寸(不含支架)mm | 122 * 122 * 110 | |
| 线缆长度 | 2 M | |
外观尺寸


产品特点
快速响应
宽光谱范围
水冷散热
产品参数
| 型号 | TP500-HP-25-W | TP1000-HP-25-W |
| 光谱范围(μm) | 0.19~11 | 0.19~11 |
| 入光孔径 | 25mm | 25mm |
| 功率测量范围 | 0.5W - 500W | 1W - 1000W |
| 最大 CW 功率密度 | 4kW/cm² | 4kW/cm² |
| 响应时间 | < 3.5S | < 3.5S |
| 测量不准确度 ±% | < 2 | < 2 |
| 线性度 ±% | < 1 | < 1 |
| 测量精度 ±% | < 3 | < 3 |
| 能量测量范围 | 0.2J - 300J | 0.3J - 300J |
| 能量量程 | 3J/30J/300J | 3J/30J/300J |
| 最大能量密度 J/cm² | 100@10ms | 200@10ms |
| 散热方式 | 水冷 | 水冷 |
| 快拧接头 | KQ21O-02AS,10mm | KQ21O-02AS,10mm |
| 水流量 | ≥1.3L/min | ≥2.5L/min |
| 接口类型 | DB9 | DB9 |
| 重量 | 1.05kg | 1.05kg |
| 探头尺寸(不含支架)mm | 90×90×45 | 90×90×45 |
| 线缆长度 | 2M | 2M |
外观尺寸


产品特点
快速响应
宽光谱范围
水冷散热
产品参数
| 型号 | TP2000-HP-50-W | TP3000-HP-50-W |
| 光谱范围 (um) | 0.19~11 | 0.19~11 |
| 入光孔径 | 50mm | 50mm |
| 功率测量范围 | 2.5W - 2500W | 3.5W - 3500W |
| 最大 CW 功率密度 | 3kW/cm² | 3kW/cm² |
| 响应时间 | <4.5S | <4.5S |
| 测量不准确度 ±% | <2 | <2 |
| 线性度 ±% | <2 | <2 |
| 测量精度 ±% | <4 | <4 |
| 散热方式 | 水冷 | 水冷 |
| 快拧接头 | KQ2L10-02AS, 10mm | KQ2L10-02AS, 10mm |
| 水流量 | >=5L/min | >=5L/min |
| 接口类型 | DB9 | DB9 |
| 重量 (不含支架) | 4.75kg | 4.75kg |
| 探头尺寸 (不含支架) mm | 120*120*40 | 120*120*40 |
| 线缆长度 | 2M | 2M |
外观尺寸


产品特点
RS232 或 USB 通信接口
简单 ASCII码协议,方便主机编程专用 PC 软件
不需校零,自稳零电路金属机身,抗干扰好易集成
方便用户自校准机制
适合应用
配设备场合
焊接、切割等各种激光工业设备在线测量
产品名称:激光功率计
命名规则:Lynk-X-Y-Za-b
X:
RS232:RS232 通信接口
USB:USB 通信接口
Y:探测器规格(额定测量功率及探测器类型)
Z:为入光孔径, 19,25,50 等,单位 mm
a:探头特征 。 留空表示标准探头,其他非标项由相应字母表示 ,如:
J:均光,JT:均光套筒,S:超薄(50W 可以省略)
b:其他定制项 ,如果非标线长(Ln), 留空表示标准
型号举例
以 50W 超薄探头的 RS232 功率计为例,其具体型号为:Lynk-RS232-50-HP-25。
以 200W 探头 10 米线的 USB 功率计为例,其具体型号为:Lynk-USB-200-HP-25-L10。
主要型号列表(仅列 RS232 型号)
| 产品名称 | 规格型号 | 单位 | 探头尺寸(mm) | 备注 |
| 激光功率计 | Lynk-RS232-2-HP-18 | 台 | 60*60*20 | |
| 激光功率计 | Lynk-RS232-5-HP-18 | 台 | 60*60*20 | |
| 激光功率计 | Lynk-RS232-10-HP-18 | 台 | 60*60*20 | |
| 激光功率计 | Lynk-RS232-20-HP-25 | 台 | 60*60*20 | |
| 激光功率计 | Lynk-RS232-50-HP-25 | 台 | 65*65*20 | 超薄探头 |
| 激光功率计 | Lynk-RS232-50-HP-19 | 台 | 65*65*65 | 标准探头 |
| 激光功率计 | Lynk-RS232-100-HP-19 | 台 | 65*65*65 | |
| 激光功率计 | Lynk-RS232-200-HP-25 | 台 | 90*90* 100 | |
| 激光功率计 | Lynk-RS232-500-HP-25 | 台 | 122* 122*70 | |
| 激光功率计 | Lynk-RS232-1000-HP-25 | 台 | 122* 122*70 | |
| 激光功率计 | Lynk-RS232-200-HP-25-W | 台 | 65*65*25 | 水冷 |
| 激光功率计 | Lynk-RS232-200-HP-25-WJ | 台 | 65*65*30 | 水冷均光版 |
| 激光功率计 | Lynk-RS232-1000-HP-25-W | 台 | 90*90*44 | 水冷 |

产品特点
快速响应
宽光谱范围外形小巧
易集成
产品参数
| 型号 | 2-HP-18 | 5-HP-18 | 10-HP-18 | 12A-HP-18(带套筒) |
| 光谱范围( um) | 0. 19~ 11 | |||
| 入光孔径 | 18mm | |||
| 功率测量范围 | 2mW - 2W | 3mW - 5W | 5mW - 10W | 5mW - 12W |
| 测量分辨率 | 0. 1mW | 0. 1mW | 1mW | 0. 1mW |
| 功率量程 | 2W | 5W | 10W | 12W |
| 最大 CW 功率密度 | 15kW/cm2 | |||
| 响应时间 | < 1.5S | |||
| 测量不准确度 ±% | < 2 | |||
| 线性度 ±% | < 1 | |||
| 测量精度 ±% | < 3 | |||
| 最大能量密度 J/cm2 | 30@ 10ms | |||
| 散热方式 | 自然冷却 | |||
| 接口类型 | RS232 / USB | |||
| 重量 | 350g | |||
| 探头尺寸 mm | 60*60*20 | |||
| 线缆长度 | 2M | |||
外观尺寸


产品特点
快速响应
宽光谱范围
外形小巧
易集成
产品参数
| 型号 | 20-HP-25 | 50-HP-25 |
| 光谱范围( um) | 0. 19~ 11 | |
| 入光孔径 | 25mm | |
| 功率测量范围 | 5mW - 20W | 20mW - 50W |
| 测量分辨率 | 1mW | 10mW |
| 功率量程 | 20W | 50W |
| 最大 CW 功率密度 | 15kW/cm2 | |
| 响应时间 | < 1.5S | |
| 测量不准确度 ±% | < 2 | |
| 线性度 ±% | < 1 | |
| 测量精度 ±% | < 3 | |
| 最大能量密度 J/cm2 | 30@ 10ms | |
| 散热方式 | 自然冷却 | |
| 接口类型 | RS232 / USB | |
| 重量 | 350g | |
| 探头尺寸 mm | 60*60*20 | |
| 线缆长度 | 2M | |
外观尺寸


产品特点
快速响应
宽光谱范围
外形小巧,集成风扇
高承载功率
光学配件安装螺纹
产品参数
| 型号 | 50-HP-19 | 100-HP-19 |
| 光谱范围(μm) | 0.19~11 | 0.19~11 |
| 入光孔径 | 19mm | 19mm |
| 功率测量范围 | 20mW - 50W | 20mW - 100W |
| 测量分辨率 | 10mW | 10mW |
| 功率量程 | 50W | 100W |
| 最大 CW 功率密度 | 15kW/cm² | 15kW/cm² |
| 响应时间 | < 1.5S | < 1.5S |
| 测量不准确度 ±% | < 2 | < 2 |
| 线性度 ±% | < 1 | < 1 |
| 测量精度 ±% | < 3 | < 3 |
| 最大能量密度 J/cm² | 30@10ms | 30@10ms |
| 散热方式 | 自然冷却 | 自然冷却 |
| 接口类型 | RS232 / USB | RS232 / USB |
| 重量 | 0.6kg | 0.6kg |
| 探头尺寸 mm | 65*65*65 | 65*65*65 |
| 线缆长度 | 2M | 2M |
外观尺寸


产品特点
快速响应
宽光谱范围
外形小巧,集成风扇
高承载功率
光学配件安装螺纹
产品参数
| 型号 | 200-HP-25 | 300-HP-25 |
| 光谱范围(μm) | 0.19~11 | 0.19~11 |
| 入光孔径 | 25mm | 25mm |
| 功率测量范围 | 100mW - 200W | 100mW - 300W |
| 测量分辨率 | 10mW | 10mW |
| 功率量程 | 200W | 300W |
| 最大 CW 功率密度 | 7kW/cm² | 7kW/cm² |
| 响应时间 | < 2.5S | < 2.5S |
| 测量不准确度 ±% | < 2 | < 2 |
| 线性度 ±% | < 1 | < 1 |
| 测量精度 ±% | < 3 | < 3 |
| 最大能量密度 J/cm² | 30@10ms | 30@10ms |
| 散热方式 | 自然冷却 | 自然冷却 |
| 接口类型 | RS232 / USB | RS232 / USB |
| 重量 | 1.25kg | 1.25kg |
| 探头尺寸 mm | 90×90×90 | 90×90×112 |
| 线缆长度 | 2M | 2M |
外观尺寸


产品特点
快速响应
宽光谱范围
外形小巧,集成风扇
高承载功率
光学配件安装螺纹
产品参数
| 型号 | 500-HP-25 | 1000-HP-25 |
| 光谱范围(μm) | 0.19~11 | 0.19~11 |
| 入光孔径 | 25mm | 25mm |
| 功率测量范围 | 0.5W - 500W | 1W - 1000W |
| 测量分辨率 | 0.1W | 0.1W |
| 功率量程 | 500W | 1000W |
| 最大 CW 功率密度 | 6kW/cm² | 6kW/cm² |
| 响应时间 | < 3.5S | < 3.5S |
| 测量不准确度 ±% | < 2 | < 2 |
| 线性度 ±% | < 1 | < 1 |
| 测量精度 ±% | < 3 | < 3 |
| 最大能量密度 J/cm² | 30@10ms | 30@10ms |
| 散热方式 | 自然冷却 | 自然冷却 |
| 接口类型 | RS232 / USB | RS232 / USB |
| 重量 | 2.35kg | 2.35kg |
| 探头尺寸 mm | 120×120×110 | 120×120×110 |
| 线缆长度 | 2M | 2M |
外观尺寸


产品特点
快速响应
宽光谱范围
外形小巧,集成风扇
高承载功率
光学配件安装螺纹
产品参数
| 型号 | 200-HP-25-W | 200-HP-25-WJ (高损均光版) |
| 光谱范围(μm) | 0.19~11 | 0.28~1.1 |
| 入光孔径 | 25mm | 25mm |
| 功率测量范围 | 100mW - 200W | 100mW - 200W |
| 测量分辨率 | 10mW | 10mW |
| 功率量程 | 200W | 200W |
| 最大 CW 功率密度 | 7kW/cm² | 70kW/cm² |
| 响应时间 | < 2.5S | < 4S |
| 测量不准确度 ±% | < 2 | < 1 |
| 线性度 ±% | < 1 | < 5 |
| 测量精度 ±% | < 3 | < 5 |
| 最大能量密度 J/cm² | 30@10ms | 30@10ms |
| 散热方式 | 水冷 | 水冷 |
| 快拧接头 | M-5H-6,6mm | M-5H-6,6mm |
| 水流量 | ≥1.0L/min | ≥1.0L/min |
| 接口类型 | RS232 / USB | RS232 / USB |
| 重量 | 450g | 450g |
| 探头尺寸 mm | 65×65×25 | 65×65×30 |
| 线缆长度 | 2M | 2M |
外观尺寸


产品特点
快速响应
宽光谱范围
易集成
高承载功率
产品参数
| 型号 | 500-HP-25-W | 1000-HP-25-W |
| 光谱范围(μm) | 0.19~11 | 0.19~11 |
| 入光孔径 | 25mm | 25mm |
| 功率测量范围 | 0.5W - 500W | 1W - 1000W |
| 测量分辨率 | 0.1W | 0.1W |
| 功率量程 | 500W | 1000W |
| 最大 CW 功率密度 | 4kW/cm² | 4kW/cm² |
| 响应时间 | < 3.5S | < 3.5S |
| 测量不准确度 ±% | < 2 | < 2 |
| 线性度 ±% | < 1 | < 1 |
| 测量精度 ±% | < 3 | < 3 |
| 最大能量密度 J/cm² | 30@10ms | 30@10ms |
| 散热方式 | 水冷 | 水冷 |
| 快拧接头 | KQ2L10-02AS, 10mm | KQ2L10-02AS, 10mm |
| 水流量 | ≥1.3L/min | ≥2.5L/min |
| 接口类型 | RS232 / USB | RS232 / USB |
| 重量 | 1.3kg | 1.3kg |
| 探头尺寸 mm | 90×90×44 | 90×90×44 |
| 线缆长度 | 2M | 2M |
外观尺寸


产品特点
快速响应
宽光谱范围
外形小巧
单脉冲能量
测量高稳定性
产品参数
| 型号 | Trill-PE10-HP-25 |
| 光谱范围(μm) | 0.19~11 |
| 入光孔径 | 25mm |
| 功率范围 | 10mW - 50W |
| 最大 CW 功率密度 | 15kW/cm² |
| 响应时间 | < 1.5S |
| 测量不准确度 ±% | < 2 |
| 线性度 ±% | < 1 |
| 测量精度 ±% | < 3 |
| 能量测量范围 | 10mJ - 600mJ |
| 能量量程 | 0.6J |
| 测量分辨率 | 1mJ |
| 最大能量密度 J/cm² | 30@10ms |
| 散热方式 | 自然冷却 |
| 接口类型 | DB9、USB |
| 重量 | 170g |
| 探头尺寸(不含支架)mm | 60×60×20 |
| 线缆长度 | 2M |
外观尺寸


产品特点
快速响应
宽光谱范围
外形小巧
模拟接口
适用于激光器内部集成性
产品参数
| 型号 | Lynk-A-1W | Lynk-A-10W |
| 光谱范围(μm) | 0.19~11 | 0.19~11 |
| 入光孔径 | 18mm | 18mm |
| 功率测量范围 | 1mW - 1.5W | 1mW - 15W |
| 供电电压 | 5-24V | 5-24V |
| 模拟输出 | 0-1.0V | 0-1.0V |
| 最大 CW 功率密度 | 15kW/cm² | 15kW/cm² |
| 响应时间 | < 1.5S | < 1.5S |
| 测量不准确度 ±% | < 2 | < 2 |
| 线性度 ±% | < 1 | < 1 |
| 测量精度 ±% | < 3 | < 3 |
| 散热方式 | 自然冷却 | 自然冷却 |
| 接口类型 | 0-1V 模拟量 | 0-1V 模拟量 |
| 重量 | 45g | 45g |
| 探头尺寸(不含支架)mm | 46×46×10 | 46×46×10 |
| 线缆长度 | 无 | 无 |
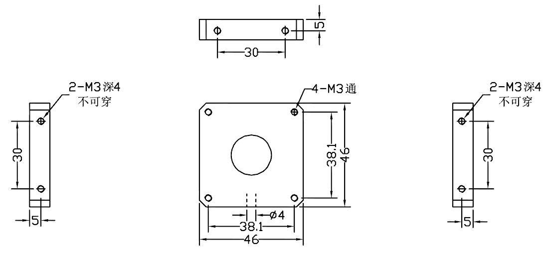
外观尺寸


产品特点
快速响应
损伤阈值高
外形小巧
模拟接口
适用于激光器内部集成性
产品参数
| 型号 | SD50-19 | SD200-25 |
| 光谱范围(μm) | 0.19~11 | 0.19~11 |
| 入光孔径 | 19mm | 25mm |
| 功率测量范围 | 1mW - 50W | 2mW - 200W |
| 模拟输出 | ~1mV/W | ~0.18mV/W |
| 最大 CW 功率密度 | 15kW/cm² | 7kW/cm² |
| 响应时间 | < 1.5S | < 1.5S |
| 测量不准确度 ±% | < 2 | < 2 |
| 线性度 ±% | < 1 | < 1 |
| 测量精度 ±% | < 3 | < 3 |
| 散热方式 | 传导冷却 | 传导冷却 |
| 接口类型 | 模拟量 | 模拟量 |
| 重量 | 10g | 25g |
| 尺寸 mm | D44×3 | D54×6 |
| 线缆长度 | 无 | 无 |
外观尺寸

上一个产品
下一个产品