场镜关键参数深度解析与选型指南
场镜(Field Lens),又称F-Theta透镜或平场聚焦镜,是工业激光设备(如激光打标、激光切割、激光焊接、3D打印)中的关键光学元件。其核心作用是将光束在整个加工平面上形成尺寸均一、形状规则的聚焦光斑,确保精度与加工效果的一致性。其核心功能是在整个加工平面范围内,将激光束聚焦成尺寸稳定、能量分布均匀的光斑,从而确保加工过程的精度一致性与成品质量稳定性。场镜之所以能够满足高速、高精度激光加工需求,关键在于其独特的 F-Theta 线性成像特性,即:y′ = f · θ,该关系使聚焦光斑在像面上的位置与光束的扫描角度呈严格的线性对应关系。通过精确控制扫描振镜的偏转角度,即可实现光斑在加工平面内的高速、精准线性扫描。而普通聚焦透镜遵循的是 y = f · tanθ 关系。当光束以一定角度入射时,容易产生焦点位置偏移和明显像差,导致加工区域边缘光斑失焦或尺寸变化,难以满足高精度激光加工的实际需求。因此,F-Theta 场镜是振镜式激光加工系统中追求高品质加工不可或缺的核心光学部件。
场镜的核心作用
实现平场聚焦,保证光斑一致性
场镜经过精心设计,可在振镜式激光加工系统中提供最高性能。非常适合用于雕刻和标签系统、图像传输和材料加工。对于许多激光扫描和雕刻应用而言,平面成像场是获得最佳效果的必要条件。球面透镜只能沿圆形平面成像,场镜解决了激光扫描的诸多难题,场镜紧凑设计使用户能够减少实现平坦像面所需的光学元件数量,更小的光斑尺寸,从而提高扫描或打印的分辨率,以及雕刻或焊接的强度。最重要的是,场镜能够在整个加工范围内将光束聚焦在同一平面上,使不同扫描角度下的光斑尺寸和焦点位置保持高度一致,无论激光束以何种角度入射,其焦点都能精确地落在同一个平坦的平面上,消除了普通透镜会产生的“场曲”这个像差,避免边缘区域失焦或光斑变大问题。确保了在整个加工区域(即“场”)内,加工效果(如切割深度、熔覆宽度)的一致性。
普通的透镜的焦面是个曲面,如下图

这样不利于扫描雕刻,为了解决这个问题,于是就有了Flat-Field Scanning Lens(中文场镜的名字大概就是从这里来的吧),然而,传统的平场透镜产生的图像与透镜焦点和扫描角正切成比例。这意味着,当扫描角度线性变化时,图像不会线性移动。这也可能导致制造错误。于是就有了F-Theta lens,这些镜头产生的图像高度与焦距和扫描角theta成线性比例。下图给出了三个透镜的区别。

这样当我们再看到场镜的时候,就知道这个场镜是指field lens、flat-field scanning lens还是f-theta lens。比如DLP的光机中用于匀光的场镜,其实是flat-field scanning lens,因为对于theta很小的情况,tanθ约等于θ。
建立 F-Theta 线性扫描关系
根据标准的高斯光学,一个无像差的理想透镜遵循的是 y = f * tanθ 的关系(其中 f 是焦距),tanθ 函数本身是非线性的。当 θ 增大时,y 的增加速度会越来越快。例如:当 θ 从 0° 转到 10° 时,y 的变化量是 Δy1;当 θ 从 20° 转到 30° 时(同样的角度变化量),y 的变化量 Δy2 会远大于 Δy1。如果扫描镜以恒定角速度旋转,光斑在焦平面上的移动速度会越来越快,无法实现匀速扫描。想要扫描一个正方形,计算机会给扫描镜一个线性的角度信号,但由于 tanθ 的非线性,实际画出来的图形会变成“枕形”。为了克服 tanθ 的非线性,建立 f*θ 的线性关系,光学设计师们通过引入一种特殊的“畸变”来实现。简单来说,F-Theta 场镜是一个被精心设计了特定“畸变”的透镜。F-Theta 场镜的设计,正是刻意地引入了正确数量的负畸变,来抵消 tanθ 带来的非线性增长。F-Theta 场镜通过其负畸变特性,将原本由 tanθ 决定的非线性曲线“压低”并“拉直”,使得最终的像高 y 与扫描角 θ 呈现出完美的线性关系。
场镜的核心作用之一就是将振镜的角度扫描,转换为加工平面上的严格线性位移。在振镜式激光加工系统中,光束通过扫描振镜的偏转实现大范围、高速度的光斑移动。使聚焦光斑在加工平面上的位置与扫描振镜的偏转角度呈线性关系(y′ = f · θ),从而实现高速、精确、可预测的线性扫描,其中y′ 为聚焦光斑在加工平面上的实际位移;f 为场镜的有效焦距;θ 为扫描振镜的偏转角度。这一线性关系使得光斑在像面上的移动距离与振镜偏转角度成正比,从而实现等角度、等位移的扫描特性。在实际加工中,这种线性映射具有非常重要的工程意义。

补偿扫描像差,提升加工精度
在振镜式激光加工系统中,光束需要在短时间内完成大角度、高频率的扫描。普通透镜的理想成像面为弯曲面,随着扫描角度增大,焦点会偏离加工平面,导致边缘区域失焦。如果仅使用普通聚焦透镜,在大角度扫描条件下,激光在偏轴入射时会产生明显的桶形或枕形畸变扫描像差,导致加工图形拉伸、压缩或变形,直接影响加工精度和一致性。偏轴扫描时,普通透镜容易产生彗形拖尾或焦点方向不一致的问题,导致光斑形状不规则、能量分布不均。随着扫描角度和工作距离的变化,若无法有效补偿,焦点位置会不断漂移,导致加工深浅不一。场镜通过专用光学设计,可有效校正由大角度扫描引起的像差、畸变和焦点漂移,显著降低彗差和像散,实现真正的“平场聚焦”,使光斑始终保持近似圆形,确保整个加工区域内加工尺寸、深度和线宽的一致性,提高了切缝、焊缝或标刻线条的质量。
扩大有效加工幅面
在振镜式激光加工系统中,加工幅面并不单纯取决于振镜的扫描角度,而是由光学成像关系、像差控制能力以及焦点稳定性共同决定。场镜通过场曲补偿和扫描畸变校正,在保证加工精度的前提下,即使在加工区域边缘,光斑尺寸和能量分布也能保持与中心区域高度一致,显著扩大激光系统的有效加工范围,提高单次加工覆盖面积,提升整体加工效率。
提升加工稳定性与一致性
在工业激光加工中,加工稳定性与一致性不仅决定单件质量,更直接影响批量良率和生产可靠性。场镜通过对聚焦特性、扫描线性和像差的系统控制,确保相同扫描指令在不同时间、不同工件位置上获得一致的聚焦和轨迹效果,从而显著提高重复加工的一致性,为激光加工提供稳定、可重复的光学基础。
场镜从尺寸到参数全面解析
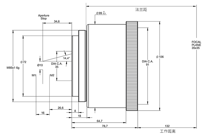
1. 焦距、后焦距、工作距离、法兰距
在振镜式激光加工系统中,场镜不仅决定加工幅面,更直接影响安装结构、光斑质量与系统匹配性。正确理解场镜的几何尺寸与光学参数,是设备设计与选型的关键。
焦距:指场镜的等效光学中心到聚焦平面的距离,是决定加工幅面大小的核心参数,焦距越大可实现的加工幅面越大,焦距越小,光斑更小、能量密度更高。
后焦距:指的是从场镜最后一片透镜表面,到实际聚焦平面之间的距离,决定光路内部结构和安全余量,决定保护镜、辅助结构是否有安装空间,后焦距不足,容易发生焦点“顶在镜片上”的问题。

工作距离:指场镜的安装基准面(通常为法兰面)到工件加工面的距离,工作距离需与设备结构、工件高度一起整体规划,工作距离并非光学参数,而是系统参数,工作距离决定设备的 Z 轴安装高度,影响工件装夹高度和空间布局,对自动上下料、三维加工尤为重要。
法兰距:指场镜法兰安装面到光学参考面或设计焦点基准的距离,是设备设计早期必须确认的参数之一。法兰距一旦确定,设备结构基本被锁定,法兰距决定场镜与振镜系统的相对位置,直接影响光轴对准,法兰距不一致会导致无法正确聚焦。

2. 入射光斑尺寸与聚焦光斑尺寸
为了控制杂散光,并减小材料加工应用场景下光学元件的尺寸,通常将入射光束直径控制在最大值的1/e²处。光束直径越大,光斑尺寸越小,反之亦然。使用直径大于最大允许入射光尺寸的光束将导致光束被消减。
聚焦光斑的形状和大小,极大程度上取决于入射光束的尺寸,一般通过截断比T来描述,T等于入射光束直径dL (1/e²处)除以通光孔径dEP,若其比例低于0.5,则光束是不对称的。当入射光束直径dL等于场镜的通光孔径dEP时,则T = 1。估算透镜衍射极限的光斑大小时,还需要一个额外的切趾因子(APO),它与截断比T之间的关系如下图所示。

由此,聚焦光斑尺寸d可参考下列计算得到(λ为工作波长,f为场镜焦距,M2为激光参数):

3. 幅面内聚焦光斑的均匀性(或一致性)
在实际激光加工系统中,光学镜头在整个工作幅面内的成像性能并非完全一致。其主要原因在于光学系统中不可避免地存在场曲像差——即不同扫描角度下入射的激光束,其最佳聚焦位置在高度方向上并不完全相同。即便采用了平场型 F-Theta 场镜,通过专门的光学设计对场曲进行有效补偿,使焦面尽可能接近理想平面,但在实际光学设计中,还需要同时平衡畸变、像散、彗差等多种像差因素。因此,在综合优化的前提下,系统中仍不可避免地会残留少量场曲。受此影响,在加工幅面内不同位置处的聚焦光斑尺寸和能量分布会存在一定差异。当光斑均匀性较差时,会直接导致幅面中心与边缘加工效果不一致,线宽、切缝或标刻深度出现波动以及整个幅面内加工质量稳定性下降。
均匀性表征计算公式(供参考):

Sill Optics的紫外消色差扫描场镜S4LFT4010-075参数
4. 扫描角度θ和扫描幅面
在振镜式激光加工系统中,加工幅面的大小并不是一个独立参数,而是由扫描振镜的最大扫描角度 θ 与 场镜的焦距 f 共同决定。扫描角度 θ 是指扫描振镜相对于光轴的最大偏转角度,通常以机械角或光学扫描角表示。振镜偏转角度越大,可覆盖的扫描范围越广,过大的扫描角度会显著增加光学像差控制难度,实际系统中,扫描角度往往受振镜性能、响应速度及镜面尺寸限制。在相同焦距条件下,提高振镜的最大扫描角度,可有效扩大加工覆盖范围。在相同扫描角度下,选择更大焦距的场镜,可获得更大的扫描幅面。在实际应用中,通常只选用焦点偏移在允许范围内、光斑尺寸变化受控和能量分布满足工艺要求这样一部分扫描区域,这一范围称为有效扫描幅面,也是用户真正可以使用的加工区域。

场镜扫描幅面示意图
5. 场曲
场曲是光学系统中一种典型的像差,指的是理想成像焦面并非完全平面,而是呈现一定弯曲形态。在振镜式激光扫描系统中,不同扫描角度下的激光束以不同的倾斜角度入射到场镜中,由于光路差异,各束光的最佳聚焦位置在高度方向上并不重合,从而形成整体呈弧形分布的焦面,这种现象即为场曲。场曲的存在会影响整个像面的清晰度,使得一个较大的平面物体无法在各点保持清晰:中心部分较为清晰,而边缘部分则相对模糊。对激光加工而言,场曲带来的影响就是离焦,场曲的大小就是离焦量的尺寸。从下图可以看到,中心聚焦在焦面上,而边缘聚焦点就偏离了焦面,导致在工作面上中心光斑尺寸小,边缘光斑因场曲离焦尺寸变大,边缘加工效果不理想。

场曲的焦点连线面与理想焦平面(工作面)差异示意图
一般场镜会给出整个幅面内场曲量的分布图,单位一般为微米(um),表示焦点距离理想焦面的距离量。如下所示:

6. 透过率以及全幅面透过率
在工业激光加工系统中,场镜不仅决定扫描精度和加工一致性,其光能透过效率同样是影响加工效果和系统稳定性的关键指标。其中,场镜透过率与全幅面透过率一致性是评价场镜光学性能的重要参数。
场镜透过率是指激光光束通过场镜后,实际输出能量与入射能量的比值,通常以百分比表示。透过率越高,激光能量损耗越小,可在相同功率条件下获得更高的加工效率,降低镜片吸收引起的热效应,提高光学稳定性。
全幅面透过率是指在整个扫描加工幅面内,不同扫描位置处的透过率分布及其一致性。不仅关注“中心点能通过多少光”,还关注“边缘位置是否同样保持高透过率”。在大扫描角度条件下,全幅面透过率可能出现差异,若全幅面透过率一致性较差,会直接导致幅面中心与边缘能量密度不一致,加工深度、线宽随位置变化,边缘区域加工质量下降以及批量加工一致性变差等问题尤其在精密焊接、薄板切割及高一致性打标应用中,影响尤为明显。
7. 后向反射聚焦点(后反点)
后向反射聚焦点,通常称为后反点,是指激光光束在通过场镜时,由于镜片表面和内部界面产生的反射光,沿原光路或近似反向返回,并在光路中形成的能量再次聚焦位置。该聚焦点并非设计的有效工作焦点,而是由多界面反射、鬼像(Ghost Image)叠加形成的寄生聚焦点。

场镜通常由多片透镜组成,每个光学界面都会存在一定的菲涅耳反射。即便采用高性能减反射镀膜,仍会残留少量反射光。在高功率激光加工系统中,后反点可能引发一系列安全和稳定性问题,高品质场镜在设计阶段通常通过优化光学结构布局、高性能减反射镀膜和引导反射光偏离关键光路等多种方式对后反点进行抑制和管理。因此,在挑选场镜的时候务必需要考虑后反点的距离,安装在振镜上后,是否会落在振镜上。做好振镜与场镜的选型搭配。

场镜选型指南
1. 确定工作波长
场镜的工作波长需与激光器的波长匹配。例如,光纤激光器(1064 nm)需选用1064 nm光纤场镜,CO₂激光器(10.6 μm)需选用10.6 μm CO₂场镜,绿光激光器(532 nm)需选用532nm绿光场镜等。不同波长的场镜材质和镀膜不同,需确保场镜能有效透过对应波长的激光。激光波长的选择则与加工材料对该波长的吸收率相关、以及该波长激光器的价格相关。
2. 确定焦距和扫描幅面
扫描幅面:场镜的扫描幅面决定了激光能加工的区域大小。一般通过场镜焦距计算,经验公式为:幅面(mm)约0.7×焦距(mm)。
焦距:焦距越长,扫描幅面越大(幅面与焦距成正比),但聚焦光斑直径也会增大,导致功率密度下降,加工精度变差。需根据加工需求平衡扫描范围和功率密度。例如,大幅面加工需长焦距场镜,小幅面精细加工可选短焦距场镜。(在3D打印中为了追求精细打印,牺牲扫描幅面,选择小光斑加工,但可以用多个场镜拼接的方案来弥补幅面效率的损失。)
3. 通光孔径
场镜的通光孔径,一般根据振镜的孔径来匹配。比如使用20mm的振镜,则匹配20mm入瞳直径的场镜。一般入射到振镜的光束尺寸建议不要超过入瞳的75%(挡光3%左右),最好≤50%(挡光0.03%)。
4. 场镜类型
平场场镜:适用于大多数激光加工场景,能实现加工幅面内的线性扫描加工,成像质量较好,用量大,标准型号多,价格更实惠。
远心场镜:适用于对精度要求极高的场景,如精密打标、钻孔等,能保证聚焦光束垂直于焦平面,但价格较高。
5. 后反点位置
激光加工使用场镜必须标准所有后反射点的位置信息,后反射点需要避免落在场镜的镜片上以及振镜的镜片上。
6. 场镜的镜片材质
常规光学玻璃:如K9等,使用于低功率场镜,对损伤要求很低,材料价格便宜,性能稳定;
石英玻璃:石英玻璃也分紫外熔石英和红外融石英。一般在中高功率使用。不过像常规的康宁7980能满足大部分紫外到红外的应用了(紫外选用低金属离子含量的、红外选用低羟基的)。极端高功率和高稳定性的需求则需要特种石英如康宁的7979和康宁8655这一级别的(不过,高端材料禁运,国内有接近可替代的)。
硒化锌:主要用于CO₂激光器,其对10.6μm波长的透过率高,但成本较高。
7. 螺纹接口
不同振镜和不同加工平台设计的场镜接口螺纹型号不同,需要特别注意。如果没办法非得用不匹配的,那就做个转接接圈吧。
8.个性定制数据
量身定制的话,可能还需要脉冲持续时间、脉冲能量、M²等信息。
一些建议与经验
武汉新特光电是德国Sill Optics在中国的授权官方合作伙伴,致力于将全球领先的光学元件引入中国市场,我们负责Sill Optics品牌产品在中国的技术选型、项目实施与全生命周期服务,并提供整套器件集成解决方案,为您提供一站式的产品应用与技术服务!
Sill Optics 为脉冲持续时间低至190fs的超短脉冲激光器推出了一款新型消色差扫描透镜—S4LFT4015-075-FS,详情请查阅:https://www.sinteclaser.com/new-arrivals/1406.html,更多场镜请查阅:https://www.sinteclaser.com/optical/sill-ftheta-lens.html。
本文参考了微信公众号:光启航,如需转载,请联系原作者。
用于光伏激光加工的sill扫描透镜解析
Sil Optics紧凑型高功率紫外消色差扫描透镜突破工业极限
双层防御:ZnSe基材+抗损涂层的1-3x变焦扩束镜
激光世界的“塑形大师”:激光扩束镜
场镜关键参数深度解析与选型指南
为切割显示屏树立新标准:大型远心F-Theta透镜 S4LFT3340-075
全新用于波长9.3µm和10.6µm的高功率CO2激光应用的新型ZnSe变焦扩束镜
适用于超短脉冲激光器的紫外消色差扫描透镜
电动扩束镜 S6EZM0940-574 技术综述

